中文
|
EN
服务热线:400-969-1233
邮箱登录
首页
关于hth华体网页版登录入口,华体(中国)
hth华体网页版登录入口,华体(中国)
工程案例
新闻中心
科技创新
hth华体网页版登录入口,华体(中国)服务
首页
关于hth华体网页版登录入口,华体(中国)
hth华体网页版登录入口,华体(中国)
工程案例
新闻中心
科技创新
hth华体网页版登录入口,华体(中国)服务
企业动态
行业动态
塔式起重机
施工升降机
混凝土机械
屋面吊
桥梁工程
装配式建筑工程
水利水电工程
核电火电工程
机场港口工程
高层商业建筑工程
海外工程
技术中心
科研动态
新技术引用
专利技术
科研成果
企业介绍
发展历程
组织架构
资质荣誉
生产制造
联系我们
营销网络
用户服务
hth华体网页版登录入口,华体(中国)租赁
hth华体网页版登录入口,华体(中国)物流
新闻中心
SINCE1952
始于1952
企业动态
行业动态
首页
>
新闻中心
> 企业动态
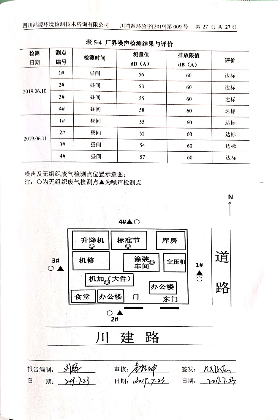
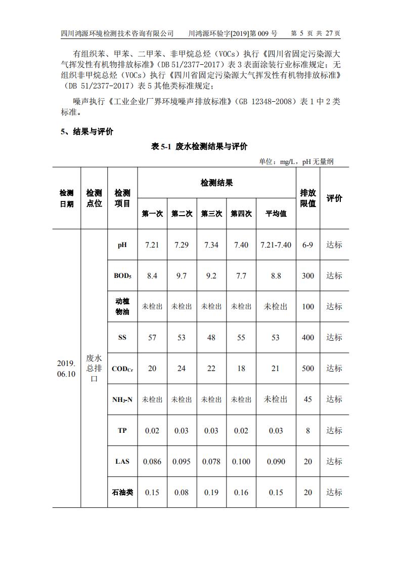
公司废气、废水、噪声检测报告
发布时间:2019-08-30 阅读次数:6380 来源:
上一篇
下一篇
关闭
安川变频器GA700技术手册
关注hth华体网页版登录入口,华体(中国)微信公众号 快速掌握最新资讯
安博体育APP官方下载入口
|
易游手机入口官网
|
星空体育中国官方网站
|
MK体育平台
|
leyu·乐鱼(中国)体育官方网站
|
开云体育平台登录入口
|
爱游戏体育官网登录入口(中国)官方网站
|
江南手机网页版登录入口
|